EN
MENU
首页
产品中心
谐波减速器
CS系列
CSG-C-C/CS-C-C
CD系列
CD-C-C
HS系列
HSG/HS-S-C
HSG/HS-S-H
HSG/HS-C-J
HSG/HS-C-H
HD系列
HD-S-C
机电一体化执行器
工业标准旋转执行器
HSA系列
标准伺服谐波执行器
SSA系列
高性能旋转执行器
HRA系列
SRA系列
协作机器人关节模块
TRM系列
高压TRM系列
人形机器人关节模块
TCM系列
直筒型协作模块
TCHL
轻量化谐波关节
服务中心
选型工具
客户服务
下载中心
产品型录
产品资料下载
关于同川
公司介绍
新闻资讯
联系我们
联系信息
人才招聘
轻量化谐波关节
轻量化谐波关节
轻量化谐波关节
首页
-
产品中心
-
人形机器人关节模块
-
TCHL
- 轻量化谐波关节
产品详情
性能参数表
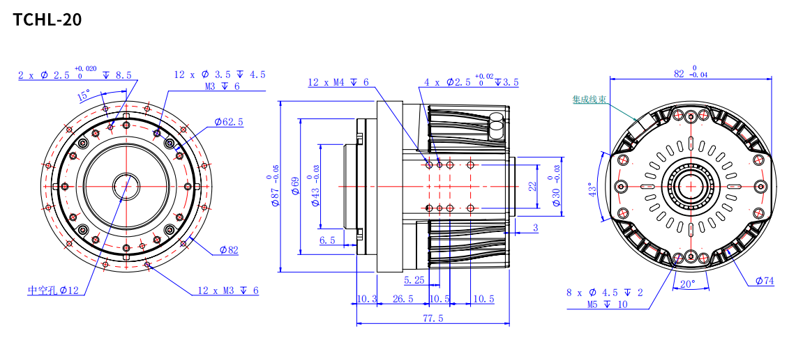
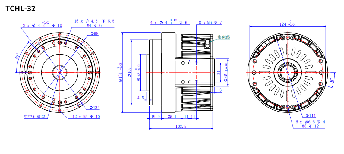
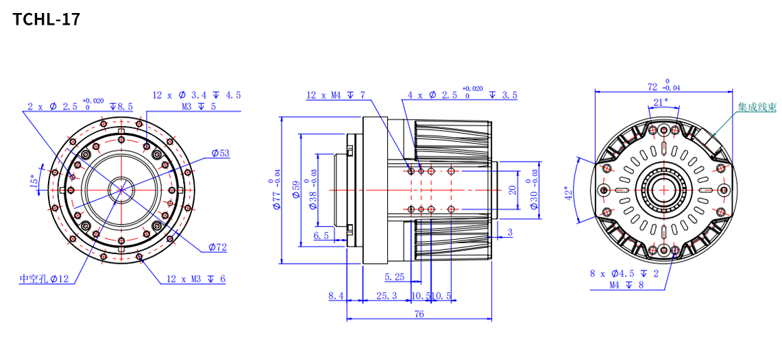
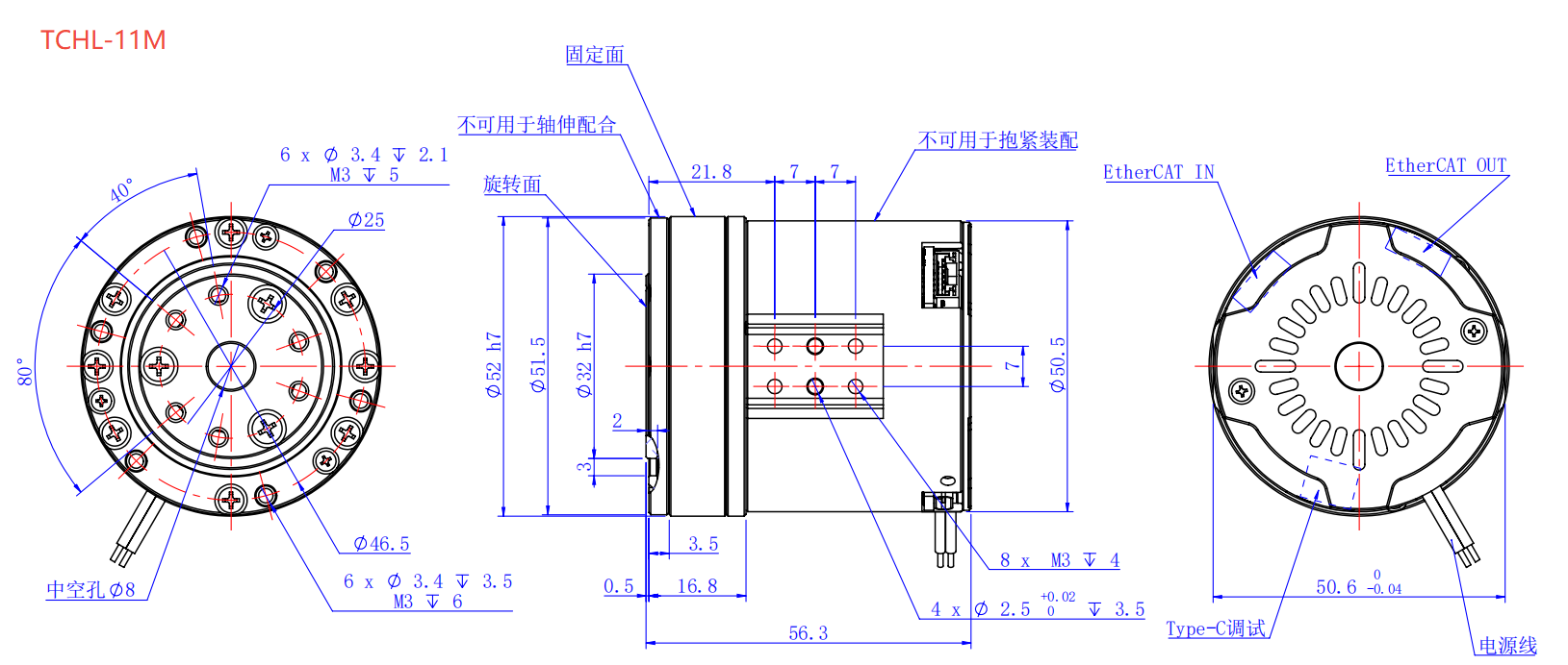
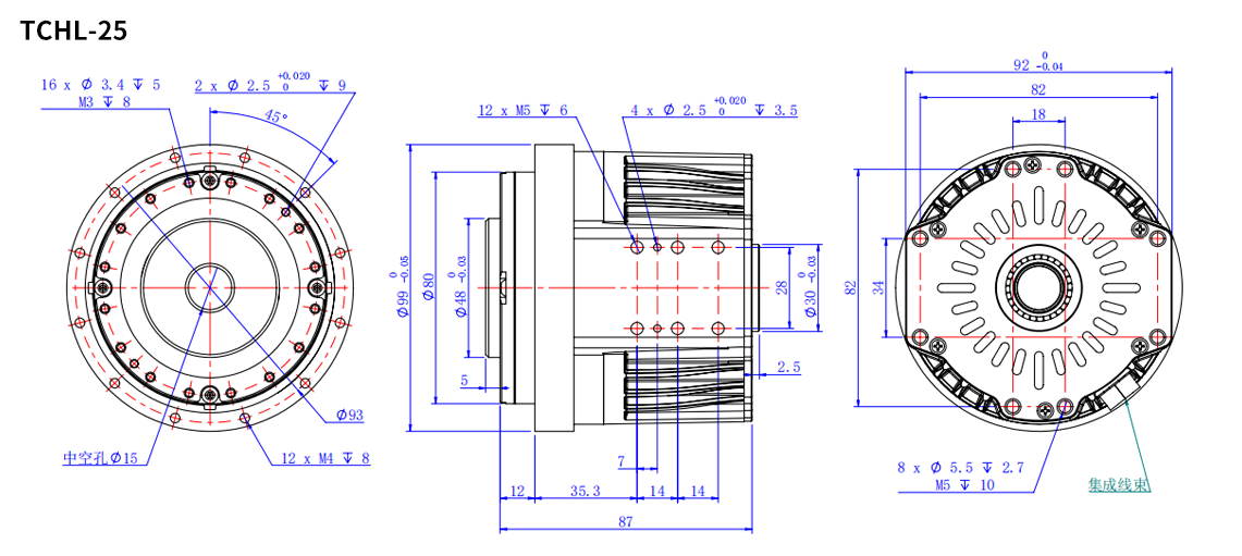
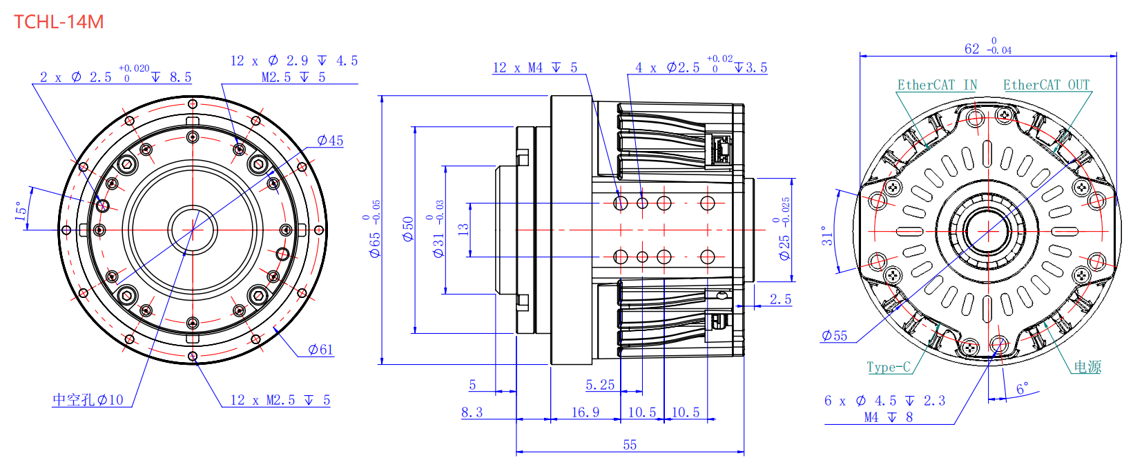
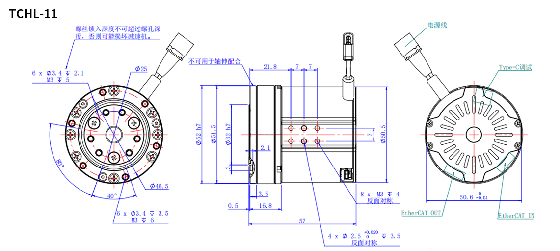
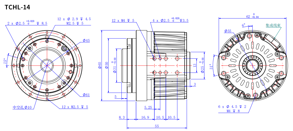
产品尺寸图
资料下载
产品特点
极致轻量化设计
灵活多样的安装形式
产品优势
集成力传感器实现力位闭环控制
一体化集成线缆与连接器
性能参数表
产品尺寸图
资料下载
在线客服
电话咨询
0755-23226287
服务热线(早9:00-晚18:00)
关注我们